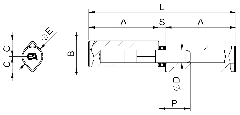
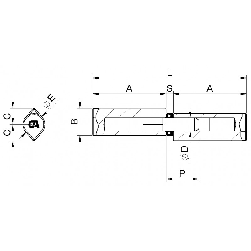
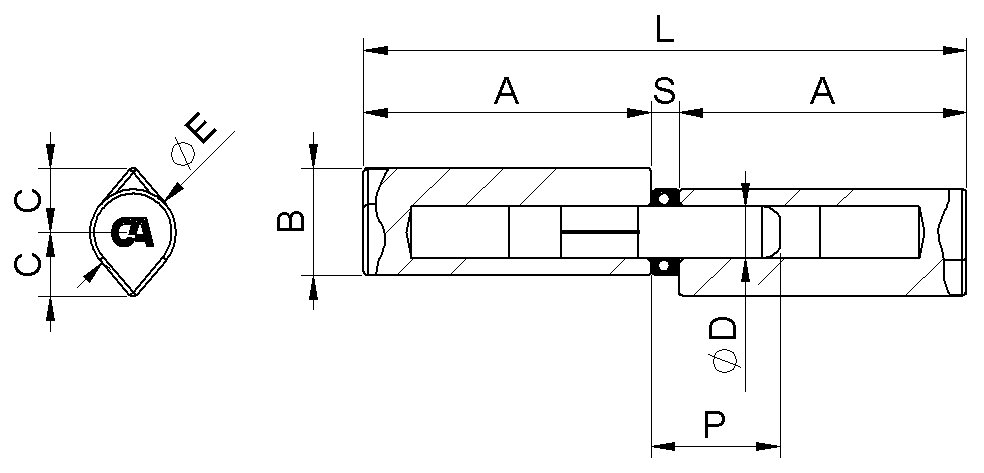
Drop Printed Hinge - Combiarialdo Brand - Steel Pin with Bearing
Drop profile printed zipper:
- 100% weldable material;
- Eco-friendly: made with lead-free steel, total absence of fumes during welding;
- Economical: welding at lower temperatures with savings in electricity;
- Safe: safer welding in less time.
Choose the hinge with the features you are looking for by selecting the millimeters.
To choose the item with the correct characteristics, consult the table below.
Component to be welded Drop hinge Combiarialdo
Make a weld of suitable size to support the forces in play and with suitable filler material. Adequately reinforce the areas of attachment to the door and/or the structure/frame.
Steel Pin: Lubricate before installation. Use grease that can withstand environmental conditions, avoid greases that tend to dry out quickly.
Thrust bearing